单模版本
保偏版本
不同波长可选
BF-PL-NL 系列光纤布拉格光栅激光器是专为光学测量和通信而设计的单频激光二极管模块。 该激光器采用 14 针标准蝶形封装,带有监控光电二极管和热电冷却器 (TEC)。
Optical Characteristics (at 25 °C laser temperature)
|
Parameter |
Symbol |
Condition |
Min. |
Typical |
Max. |
Unit |
|
Center Wavelength |
λc |
TL=15~35℃ CW |
775 |
780 |
785 |
nm |
|
Peak Optical Output Power |
PO |
- |
- |
10 |
20 |
mW |
|
Spectral linewidth |
LW |
- |
- |
1 |
10 |
MHZ |
|
Relative Intensity Noise |
RIN |
CW,output power 5mW |
- |
- |
-135 |
db/HZ |
|
Side-mode Suppression Ratio |
SMSR |
CW |
30 |
40 |
- |
dB |
|
Polarization Extinction Ratio |
ER |
- |
20 |
- |
- |
dB |
|
Wavelength drift with case (-10 to 70 ºC) temperature |
△λ |
TL=15~35℃ |
- |
- |
±30 |
pm |
|
Wavelength Temperature coefficient |
Δλ/ΔT |
TL=15~35℃ |
- |
65 |
80 |
pm/ºC |
|
Wavelength Current coefficient |
Δλ/ΔΙ |
- |
- |
1.0 |
2 |
pm/mA |
|
Tuning Range(For PZT Version) |
Δf |
|
0.5 |
|
1 |
nm |
|
PZT Driving Voltage( PZT Version) |
VT |
|
0 |
|
150 |
V |
|
Mode Hope free Range |
ΔI |
|
|
30 |
|
mA |
Electrical Characteristics (at 25 °C laser temperature)
|
Parameter |
Symbol |
Condition |
Min. |
Typical |
Max. |
Unit |
|
Threshold Current |
ITH |
- |
- |
45 |
65 |
mA |
|
Operating current |
Iop |
CW |
- |
60 |
120 |
mA |
|
Slope Efficiency |
ƞ |
CW output power 30 mW |
0.064 |
0.3 |
0.4 |
mW/mA |
|
TEC set temperature |
Ts |
- |
15 |
- |
35 |
℃ |
|
Laser Forward Voltage |
VF |
CW output power@30 mW |
- |
1.3 |
2.5 |
V |
|
Monitor Dark Current |
ID |
- |
- |
- |
0.1 |
μA |
|
Thermistor Current |
ITC |
- |
10 |
- |
100 |
μA |
|
Thermistor Resistance |
RTH |
TLD=25°C |
9.5 |
10 |
10.5 |
KΩ |
|
TEC Current |
ITEC |
TLD=25°C, TC=70°C |
- |
- |
1.8 |
A |
|
TEC Voltage |
VTEC |
IF=EOL, TC=70°C |
- |
- |
3.5 |
V |
Spectrum
L-I Curve
Wavelength VS PZT Voltage
Beam Quality(M2,2D/3D Beam)
Fiber Pigtail Specifications
|
Parameters |
Description |
|
Fiber Type |
PM fiber |
|
Jacket Type |
900μm loose tube |
|
Pigtail Length |
1.0±0.1m |
|
Connector Type |
FC/APC |
|
PM fiberConnector Orientation |
Please see the right figure |
Note: The PM fiber and the connector key are aligned to the slow axis,fast axis is blocked
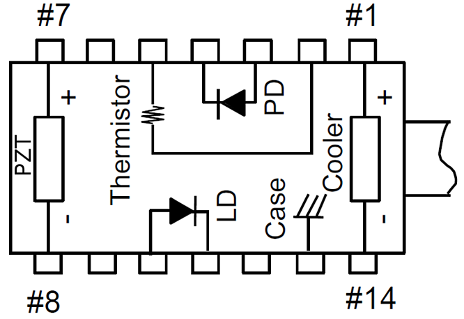
PZT Built Inside
|
1 |
Thermoelectric Cooler (+) |
8 |
PZT tuning - |
|
2 |
Thermistor |
9 |
N/C |
|
3 |
PD Monitor Anode (-) |
10 |
laser Anode (+) |
|
4 |
PD Monitor Cathode (+) |
11 |
Laser Cathode (–) |
|
5 |
Thermistor |
12 |
N/C |
|
6 |
N/C |
13 |
Case Ground |
|
7 |
PZT tuning + |
14 |
Thermoelectric Cooler (–) |
Absolute Maximum Ratings
|
Item |
Unit |
Min |
Typ |
Max |
|
Case Temperature |
℃ |
-40 |
25 |
70 |
|
Chip Temperature |
℃ |
+10 |
25 |
40 |
|
Operating Current |
mA |
0 |
60 |
120 |
|
Forward Voltage |
V |
0.8 |
1.2 |
1.8 |
|
TEC Current |
A |
- |
1.2 |
1.4 |
|
Reverse Voltage(LD) |
V |
- |
- |
1.8 |
BF-PL-NL-□□□□-☆-A8▽-XX-☆
□□□□: Wavelength
0633: 633nm
0780: 780nm
1550: 1550nm
1555: 1555nm
*****
1560: 1560nm
☆: Output Power
A: 10mW
B: 30mW
▽: Linewidth
1: <10MHZ
XX: Fiber and Connector Type
SA=SM780+ FC/APC
SP=SM780+ FC/PC
PP=PM780+ FC/PC
PA=PM780+ FC/APC
☆
No PZT: Leave it Blank
PZT: Version please use PZT to replace
