苏州今年会光电科技有限公司供应的PD-90是一款90GHz(107 Gbit/s)带宽的高速无需偏置光电探测器(通过后续检测提供偏置,如:DEMUX 驱动,无需偏置电压),设计主要用于数字通信、数据传输系统,DEMUX,RZ格式(107 Gbit/s),工作波长1480-1620nm。

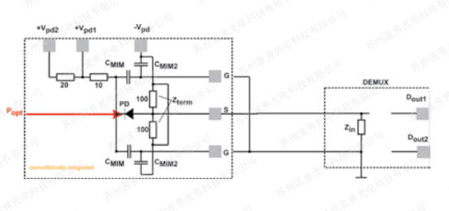
PD-90 | 结构设计

S21带宽 | 脉冲测试 | RZ信号眼图
| 主要性能参数 | |
| PD-90 | 参数值 |
| 工作波长 | 1480nm-1620nm |
| 3dB带宽 | 90GHz(107 Gbit/s) |
| 脉宽 | 7.3ps |
| 灵敏度 | ~0.53A/W@1550nm |
| PDL | <0.4dB |
| 线性功率 | 12dBm(@1dB压缩点) |
| 暗电流 | <100nA@3V |
| RF连接器 | 1.0mm Female连接器 |
| 输出阻抗 | 50Ω |
| 光回损 | >27dB |
| 光纤 | SMF-Fiber |
| 光接头 | FC/APC |
| 带宽,脉冲性能,眼图测试参考上述曲线。 | |
| 更多详细信息,联系苏州今年会光电科技有限公司相关销售人员获取。 | |
